Get a free 1 1/2 hour consultation

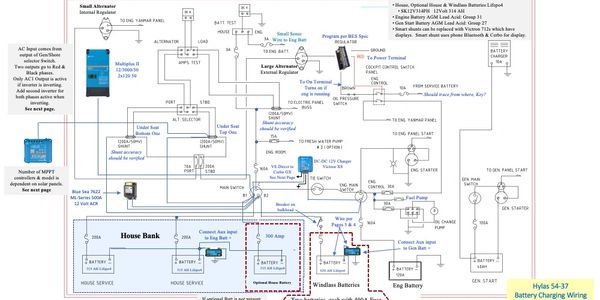
The boat had several upgrades with older diode combiners removed, Victron equipment added, Lifepo4 batteries added, and new displays

Victron Cerbo & Raymarine Axiom added and their data integrated so the Axiom displays system as well as instrument data.